Hayův můstek je spolehlivý AC můstek používaný k měření indukčnosti a odporu vysokoq-cívek s vyšší přesností. Použitím sériové RC kombinace snižuje vliv frekvence a zjednodušuje výpočty za podmínek s vysokým Q. Tento článek vysvětluje jeho princip fungování, stav vyvážení, konstrukci a praktické využití, čímž poskytuje jasné a podrobné pochopení fungování mostu.

Co je Hayův most?
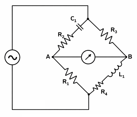
Hayův můstek, také zapisovaný jako Haysův můstek, je střídavý můstkový obvod používaný k měření indukčnosti a odporu cívek s kvalitativním faktorem obvykle vyšším než 10. Jedná se o upravenou formu Maxwellova můstku navrženou pro přesnější měření těchto cívek. V tomto můstku standardní rameno obsahuje rezistor a kondenzátor zapojené do série. Toto uspořádání zlepšuje stabilitu měření a zjednodušuje analýzu při práci s cívkami s vysokou kvalitou.
Vlastnosti Hayova mostu
• Pracuje s střídavým proudem, což jej činí vhodnou pro střídavou analýzu
• Určuje jak indukčnost (L₁), tak odpor (R₁) cívky
• Umožňuje výpočet faktoru kvality (Q)
• Používá jednoduchou podmínku vyvážení za podmínek s vysokým Q
• Nabízí dobrou citlivost v nulovém bodě
Konstrukce a měřicí postup

Hayův most se skládá ze čtyř ramen:
• Jedno rameno obsahuje neznámou induktorovou řadu L1in s odporem R1
• Protilehlé rameno obsahuje standardní kondenzátor C4in série s rezistorem R4
• Zbývající dvě ramena obsahují neindukční rezistory R2 a R3
Mezi můstky je připojen nulový detektor a je přidán střídavý proud známé frekvence.
Kroky měření
• Propojení všech komponent ve svých příslušných ramenech
• Připojit stabilní střídavý proud
• Upravit R4 nebo C4, dokud detektor neukáže nulovou odezvu
• Zaznamenat hodnoty R2, R3, R4 a C4
Při nulovém proudu detektoru je můstek vyvážen a lze vypočítat neznámou indukčnost a odpor.
Teorie, rovnováha a praktická interpretace
Obecná rovnováha AC můstku je:
Z1/Z2=Z3/Z4 nebo Z1*Z4=Z2*Z3
Kde:
• L1= neznámá indukčnost
• R1 = odpor cívky
• R2,R3,R4= známé odpory
• C4= standardní kondenzátor
Oddělením reálných a imaginárních částí získáváme výrazy pro indukčnost a odpor.
Faktor kvality je:
Q=(ω*L1)/R1
Pro cívky s vysokým Q Q10 se indukčnost zjednodušuje na:
L1≈R2R3C4
Tento zjednodušený tvar snižuje vliv frekvence a usnadňuje výpočty.
Při rovnováze je indukční efekt neznámé cívky vyrovnán kapacitnímu efektu standardní větve. V důsledku toho detektorem neprotéká žádný proud. To znamená, že můstek dosáhl stabilního srovnávacího stavu. Jednoduše řečeno, Hayův můstek přímo neměří indukčnost. Místo toho porovnává neznámou cívku se známými součástkami, dokud se obě strany kobylky nechovají stejně.
Pracovní příklad Hayova výpočtu mostu
Uvedeno:
R2=2 kΩ,R3=5 kΩ,C4=0,01 μF
Pro cívku s vysokým Q:
L1≈R2R3C4
Převádějte hodnoty:
R2=2000 Ω,R3=5000 Ω,C4=0,01×10−6 F
Výpočet:
L1=2000×5000×0,01×10−6
L1=0,1 H
Výsledek:
L1=0,1 H
Fázorový diagram Hayova mostu

Fázorový diagram ukazuje fázové vztahy mezi napětími a proudy:
• V kondenzátorové větvi proud vede napětí
• V induktivní větvi proud zaostává za napětím
• Napětí přes rezistory je ve fázi s proudem
• Napětí kondenzátoru a induktoru je kolmé na rezistivní napětí
Tyto fázové rozdíly umožňují reaktivním složkám rušit se v rovnováze. Výsledkem jsou pouze rezistivní efekty, což je důvod, proč může kobylka přesně určit neznámé hodnoty.
Hayův most vs Maxwellův most

| Aspekt | Hayův most | Maxwellův most |
|---|---|---|
| Hlavní využití | Používá se k měření indukčnosti cívek s vysokým Q | Používá se k měření indukčnosti středně Q cívek |
| Vhodný rozsah Q | Nejlepší pro cívky s kvalitativním faktorem vyšším než 10 | Nejlepší pro cívky s kvalitou zhruba mezi 1 a 10 |
| RC uspořádání | Používá rezistor a kondenzátor zapojený do série | Používá rezistor a kondenzátor zapojený paralelně |
| Přesnost | Poskytuje lepší přesnost u induktorů s vysokým Q | Dává lepší výsledky pro induktory se střední Q |
| Vhodnost frekvence | Vhodnější pro aplikace s vysokými frekvencemi | Vhodnější pro měření nižší nebo střední frekvence |
| Chování obvodu | Zjednodušuje podmínky vyvažování pro cívky s vysokým Q | Funguje to dobře, když Q cívky není příliš vysoké |
| Praktická výhoda | Preferováno při měření cívek používaných v rádiových a komunikačních obvodech | Preferováno pro obecné měření indukčnosti středně Q cívek |
Aplikace Hayova mostu

• Měří indukčnost a odpor cívek s vysokým Q s dobrou přesností
• Široce se používá v rádiových frekvencích a komunikačních obvodech, kde jsou vyžadovány přesné hodnoty cívky
• Aplikováno v laboratorních měřeních pro přesnou analýzu indukčních komponent
• Používá se při přesném testování induktorů k ověření jejich navržených hodnot
• Pomáhá při vyhodnocování parametrů transformátoru, včetně charakteristik vinutí
• Vhodné pro vysokofrekvenční podmínky, kde jsou potřeba stabilní a spolehlivá měření
• Běžně používané při testování, výzkumu a vzdělávací práci týkající se střídavých můstkových obvodů
Zdroje chyb v Hayově mostě
| Zdroj chyby | Popis |
|---|---|
| Rozptýlená kapacita a indukčnost | Nežádoucí kapacita a indukčnost ve vodičích a spojích mohou ovlivnit stav vyvažování a vést k nesprávným údajům |
| Frekvenční nestabilita | Změny frekvence dodávek mohou narušit rovnováhu a snížit přesnost měření |
| Nepřesné nebo ztrátové kondenzátory | Neideální kondenzátory se ztrátami nebo nesprávnými hodnotami mohou způsobit významné chyby |
| Neideální rezistory | Hodnoty odporu se mohou měnit v důsledku tolerance nebo zahřívání, což ovlivňuje výsledek |
| Špatné spojení | Uvolněné nebo vadné spojení mohou způsobit výkyvy a nestabilní hodnoty |
| Teplotní výkyvy | Změny teploty mohou ovlivnit odpor a chování součástek |
| Obtížnost detekce nul | Nepřesná identifikace váhového (nulového) bodu může vést k chybám měření |
Závěr
Hayův můstek poskytuje stabilní a přesnou metodu měření vysokoq-induktorů vyvážením indukčních a kapacitních efektů. Jeho zjednodušené rovnice, dobrá citlivost a vhodnost pro aplikace s vysokými frekvencemi z něj činí cenný měřicí nástroj. Správný výběr komponent a stabilní podmínky jsou však důležité pro snížení chyb a zachování přesnosti při praktickém použití.
Často kladené otázky [FAQ]
Jak vybíráte hodnotu kondenzátoru v Hayově můstku?
Kondenzátor by měl být zvolen tak, aby kobylka dosáhla rovnováhy v praktickém rozsahu hodnot rezistoru. U cívek s vysokým Q je preferována střední kapacita, aby byly výpočty jednoduché a citlivost v nulovém bodě.
Proč je Hayův můstek přesnější při vysokých frekvencích?
Při vysokých frekvencích vykazují cívky s vysokým Q sníženou variabilitou reaktance. Sériové RC rameno v Hayově můstku minimalizuje frekvenční závislost, což umožňuje vyvažovací podmínky spoléhat hlavně na hodnoty odporu a kapacity, což zlepšuje přesnost měření.
Může Hayův můstek měřit induktory s nízkou kvalitou?
Ne, není vhodný pro nízkoq-induktory. Pro nízké nebo střední hodnoty Q jsou preferovány kobylky jako Maxwellův most, protože poskytují lepší podmínky rovnováhy a spolehlivější výsledky.
Jaký typ detektoru se používá v Hayově mostě?
Používá se citlivý nulový detektor, jako jsou sluchátka, vibrační galvanometr nebo elektronický detektor. Musí být schopný detekovat velmi malé střídavé signály, aby přesně identifikoval bod rovnováhy.
Jak tolerance komponent ovlivňuje výsledky Hayova mostu?
Tolerance komponent přímo ovlivňují přesnost. Chyby v rezistorech nebo kondenzátorech vedou k nesprávným podmínkám vyvažování, proto jsou pro spolehlivá měření potřeba přesné součástky s nízkou tolerancí a stabilními charakteristikami.