Symboly transformátorů jsou jazykem elektrických energetických systémů. Zhušťují složité konstrukční informace, typ fáze, konfiguraci vinutí, metodu uzemnění, polaritu a vektorové vztahy do standardizovaných grafických forem. Porozumění těmto symbolům je užitečné pro každého, kdo čte jednořádkové diagramy, schémata a vinivé výkresy. Přesná interpretace zajišťuje správný výběr zařízení, správnou koordinaci ochrany, bezpečné paralelní spojení transformátorů a spolehlivý výkon systému jak za normálních, tak za poruchových podmínek.
Symboly jednofázového transformátoru C3

Význam symbolů transformátorů
Symboly transformátorů nejsou jen jednoduché výkresy, jsou to standardizované nástroje používané ke komunikaci důležitých technických informací, které přímo ovlivňují elektrický návrh, chování systému a spolehlivost provozu. Pokud je transformátor správně interpretován, označuje typ fáze (jednofázová nebo třífázová), konfiguraci vinutí, dostupnost nulového vodiče, způsob uzemnění a zda transformátor poskytuje izolaci nebo transformaci napětí.
Protože tyto vlastnosti ovlivňují systémové spojení, koordinaci ochrany a reakci na poruchy, může nesprávné pochopení vést k nesprávným předpokladům o uzemnění, nesprávným výpočtům poruchového proudu, nekompatibilním připojením zařízení nebo problémům s koordinací.
Jednořádkové diagramy vs. schématická schémata

| Aspekt | Jednořádkový diagram | Schématický diagram |
|---|---|---|
| Účel | Zobrazuje celkové uspořádání elektrického systému | Zobrazuje podrobné vnitřní zapojení obvodů |
| Reprezentace systému | Používá jednu čáru k reprezentaci vícefázových systémů | Zobrazuje jednotlivé vodiče a vinutí |
| Úroveň detailu | Zjednodušený pohled | Podrobný a technický pohled |
| Detail symbolu transformátoru | Pouze základní symbol | Zahrnuje tapy, tečky polarity a koncové označení |
| Focus | Klade důraz na konektivitu systému a tok energie | Zdůrazňuje konfiguraci vnitřních vinutí a elektrické vztahy |
| Interpretace | Použito pro plánování a přehled distribuce | Používá se pro návrh, řešení problémů a analýzu zapojení |
Poznámka: Vždy interpretujte symbol transformátoru v kontextu použitého typu diagramu.
Symboly jednofázových transformátorů

Symbol jednofázového transformátoru představuje transformátor pracující na jednofázový střídavý proud, běžně používaný v řídicích obvodech, osvětlovacích systémech a malých energetických aplikacích. Symbol obvykle ukazuje jedno primární vinutí a jedno sekundární vinutí oddělené paralelními jádrovými liniemi. Primární je připojeno k střídavému napájení a sekundární dodává transformované napětí zátěži.
V některých konfiguracích obsahuje sekundární odbočka středový odboč, zobrazený jako středové spojení na sekundárním vinutí. Tím se sekundární napětí rozdělí na dvě stejné poloviny, což umožňuje dvě stejná napětí vůči odbočce. Transformátory s centrálním odbočením se často používají v usměrňovacích obvodech, dvounapěťových zdrojích a aplikacích vyžadujících symetrické kladné a záporné výstupy.
Symboly třífázových transformátorů

Symboly třífázových transformátorů se běžně používají v jednořádkových diagramech pro zjednodušené znázornění distribučních systémů elektrické energie. Místo zobrazení každého vinutí zvlášť symbol představuje kompletní třífázovou jednotku v kompaktní podobě. Primární a sekundární napětí jsou obvykle uváděny pro určení vstupních a výstupních úrovní.
Indikátory spojení jako delta (Δ) nebo wye (Y) ukazují, jak jsou vinutí konfigurována na obou stranách. Tato označení určují fázové vztahy, uspořádání uzemnění a dostupnost napětí. I když je v jednofázovém diagramu nakreslena pouze jedna čára, reprezentuje celý třífázový systém.
Symboly spojení Delta (Δ) a Wye (Y)

Symboly Delta (Δ) a Wye (Y) označují, jak jsou vinutí transformátorů propojena, a zvolená konfigurace přímo ovlivňuje možnosti uzemnění, napěťové vztahy a chování systému.
V delta (Δ) spojení jsou tři vinutí spojena jeden za druhým a tvoří uzavřenou smyčku. Není k dispozici žádný neutrální bod. Tato konfigurace se běžně používá tam, kde není nulový vodič potřebný nebo kde je potřeba vyšší proudová kapacita.
V dvojkovém (Y) spojení se jeden konec každého vinutí spojuje ve společném neutrálním bodě. Nulák může být uzemněn a umožňuje jak napětí mezi linkou, tak mezi nulou.
Běžné notace zahrnují:
• Δ–Y → Delta primární, Wye sekundární
• Yg–Δ → uzemněný primární wy, Delta sekundární
Tato označení definují dostupnost nulového vodiče, způsob uzemnění a chování poruchových proudů v systému.
Uzemněné neutrální symboly

Detaily uzemnění významně ovlivňují výkon transformátorového systému. Uzemněný nulový vodič je obvykle označen zemním symbolem připojeným k nulovému bodu nebo přidáním "g" vedle označení wye (Yg).
Pokud je použito uzemnění impedance, může schéma ukazovat rezistor nebo reaktor mezi nulovým vodičem a zemí místo přímého spojení.
Tato označení přímo ovlivňují koordinaci ochrany a chování poruchového proudu.
Speciální symboly transformátorů
Symboly autotransformátorů

Symboly autotransformátorů představují transformátory, které používají jedno souvislé vinutí s jedním nebo více odbočkami místo oddělených primárních a sekundárních vinutí. Diagram ukazuje jednu cívku s odbočkami, kde jsou vstup i výstup odebírány ze stejného vinutí.
Protože vinutí sdílejí vodiče, autotransformátory neposkytují elektrickou izolaci. Špatná identifikace může vést k nesprávné aplikaci nebo nesprávnému návrhu ochrany.
Symboly proudového transformátoru (CT)

Symboly proudových transformátorů (CT) představují transformátory používané k měření a ochraně. Symbol obvykle ukazuje primární vodič procházející magnetickým jádrem a samostatné sekundární vinutí připojené k měřičům nebo relé.
Jsou zde zahrnuty polaritní označení jako H1/X1 nebo tečková notace pro označení okamžitého směru proudu. Správná polarita zajišťuje přesné měření a správnou odezvu relé během poruch.
Symboly potenciálu (PT) / napěťového transformátoru (VT)

Symboly potenciálu (PT) nebo napěťového transformátoru (VT) představují přístrojové transformátory, které snižují vysoké napětí na standardizované úrovně pro měřicí a ochranná zařízení.
Symboly často zahrnují:
• Symboly primárních pojistek
• Uzemněný sekundární terminál
• Označování PT/VT
Tyto vlastnosti odlišují přístrojové transformátory od výkonových transformátorů a řídí správné zapojení a ochranu postupů.
Tečky polarity a koncové označení

Tečky polarity označují okamžitý napěťový vztah mezi vinutími transformátorů.
• Tečky na odpovídajících koncích → ve fázi (posun o 0°)
• Tečky na opačných koncích → fázový rozdíl 180°
Polarita označuje fázový vztah, nikoli velikost napětí.
Notace spojení vinutí
Kombinace písmen definují primární a sekundární konfiguraci.
| Notace | Primární | Sekundární |
|---|---|---|
| Yy | Wye | Wye |
| dd | Delta | Delta |
| Dy | Delta | Wye |
• První písmeno představuje primární vinutí.
• Druhé písmeno představuje sekundární vinutí.
Důležitá upřesnění:
• Dostupnost neutrálního proudu není uvedena, pokud není zahrnuto "n" (např. Dyn).
• Fázový posun není uveden, pokud není přidáno číslo hodin (např. Dyn11).
• V některých standardech může citlivost na velikost písmen rozlišovat strany HV a LV.
Tyto notace definují napěťové vztahy a uzemňovací charakteristiky, ale pro úplnou interpretaci je nutné je číst společně s notací vektorových skupin.
Notace vektorových grup
Notace vektorové skupiny shrnuje konfiguraci vinutí a fázové posuny mezi vysokonapěťovými (HV) a nízkonapěťovými (LV) stranami. Je důležitý v třífázových systémech, zejména když jsou transformátory paralelně propojeny.
Příklad: Dyn11
• D → Delta-připojený primární kanál
• y → Sekundární spojení s Wye
• n → Neutrální vyvolán
• 11 → Fázové posunutí (hodinová notace)
V hodinovém zápisu je HV strana odkazem na 12 hodin. Každá hodina je 30°. Hodnota 11 znamená 330°, což odpovídá posunu 30° v opačném směru.
Transformátory lze bezpečně paralelně zapojit pouze tehdy, když se poměr napětí, impedance, polarita a vektorová skupina shodují. Rozdíly ve fázovém posunu mohou způsobovat cirkulační proudy a nerovnoměrné rozdělení zátěže.
Rozdíly mezi symboly transformátorů IEC a ANSI

| Aspekt | Styl IEC | ANSI / IEEE styl |
|---|---|---|
| Obecný vzhled | Zjednodušené geometrické symboly | Podrobnější kresby cívek |
| Řídící standard | IEC 60617 | ANSI / IEEE standardy |
| Uzemněná označení Wye | Používá označení "g" | Používá severoamerické uzemňovací konvence |
| Označení terminálů | Často zobrazuje vektorovou grupu | Zdůrazňuje označení terminálů H1/X1 |
| Zobrazení vektorové skupiny | Běžně zobrazované | Méně zdůrazňováno na základní symboly |
| Zaměření designu | Jednotné mezinárodní zastoupení | Praktická identifikace instalace |
Poznámka k interpretaci: IEC diagramy často zdůrazňují identifikaci vektorových skupin, zatímco ANSI diagramy se silně zaměřují na koncové a polaritní označení.
Běžné chyby při čtení symbolů transformátorů
• Ignorování teček polarity
• Obrátení primární a sekundární role
• Chybějící detaily uzemnění
• S přehledem značení na přepínač odboček
• Zmatené konfigurace delta a wye
Tyto chyby mohou vést k nesprávně aplikovaným připojením, nepřesným nastavením ochrany nebo nechtěnému chování systému.
Závěr
Zvládnutí symbolů transformátorů přesahuje rozpoznávání tvarů na diagramu; Vyžaduje pochopení, co každé označení odhaluje o chování systému, uzemnění, fázovém posunu a požadavcích na ochranu. Od základních symbolů cívek přes notaci vektorových skupin až po rozdíly mezi IEC/ANSI – každý detail má operační význam. Pečlivá interpretace zabraňuje nákladným konstrukčním chybám, nesprávným spojením a selháním ochrany. Disciplínovaný přístup ke čtení symbolů transformátorů nakonec podporuje bezpečnou instalaci, koordinovaný provoz a dlouhodobou spolehlivost elektrických systémů.
Často kladené otázky [FAQ]
Jak poznám, zda lze bezpečně zapojit dva transformátory paralelně?
Aby byly paralelní transformátory bezpečné, musí mít identické napěťové poměry, odpovídající polaritu, stejnou impedanci (procento impedance) a stejnou vektorovou skupinu (fázový posun). I když se napěťové jmenovitosti shodují, různé hodnoty taktů (např. Dyn1 vs Dyn11) způsobí cirkulační proudy a nerovnoměrné rozdělení zátěže. Před paralelním nasazením vždy ověřte data jmenovky a notaci vektorových skupin.
Co znamená procento impedance transformátoru (%Z) na diagramu nebo jmenovce?
Procento impedance (%Z) udává, jaké napětí je potřeba k cirkulaci jmenovitého proudu za podmínek zkratu. Přímo ovlivňuje velikost poruchového proudu a koordinaci ochrany. Nižší %Z znamená vyšší dostupný proud poruchy. Při paralelním zapojení transformátorů jsou podobné hodnoty %Z klíčové pro správné sdílení zátěže.
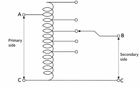
Jak poznám, jestli symbol transformátoru obsahuje přepínač?
Přepínač odboček je obvykle znázorněn označením odbočku na vinutí, nastavitelnými kontaktními symboly nebo označenými polohami odboček (např. +2,5 %, –5 %). Na jednořádkových diagramech mohou být odbočky označeny poblíž napěťového jmenovitého místa. Přepínací odbočky upravují úrovně napětí tak, aby kompenzovaly změny systému, aniž by změnily primární konfiguraci transformátoru.
Jaký je rozdíl mezi symboly přepínač odboček při odpojení a při zatížení?
Přepínač odboček bez zátěže (OLTC bez spínání) vyžaduje, aby byl transformátor před nastavením odpojený od napájení a obvykle se zobrazuje jako jednoduché polohy odboček. Přepínač odboček při zátěži (OLTC) obsahuje spínací prvky v symbolu a umožňuje nastavení napětí při napájení. OLTC jsou běžné v distribučních a přenosových rozvodnách pro regulaci napětí.
Jak symboly transformátorů označují stínění nebo elektrostatické stínění?
Některé symboly transformátorů zahrnují přerušovanou čáru nebo stínění mezi primárním a sekundárním vinutím. To představuje elektrostatický stín připojený k zemi, aby se snížil šum, přechodové vazby a rušení společného módu. Stíněné transformátory se běžně používají v citlivých řídicích obvodech a přístrojových systémech ke zlepšení integrity signálu.